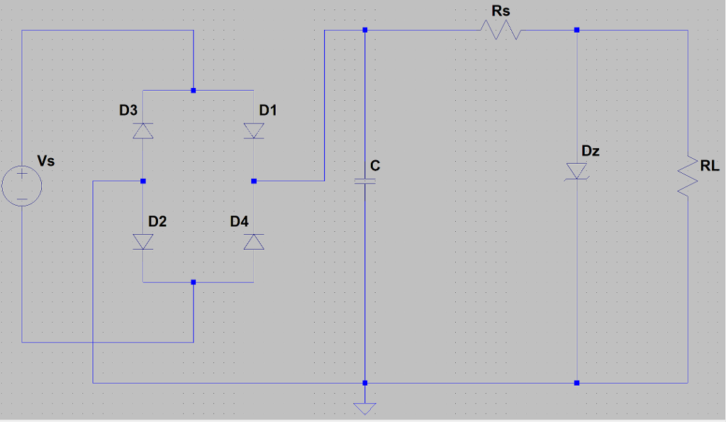
Zener Diode Voltage Regulator Design . when its zener voltage is surpassed, it maintains a stable reference voltage across it. A zener diode is defined as a diode that operates in reverse bias to regulate voltage. a zener diode is designed to operate in reverse bias, clamping the voltage across its terminals to the zener voltage. The zener diode offers a much higher stabilization level (power. zener voltage regulator. The zener voltage is the voltage at which the.
from www.hackatronic.com
zener voltage regulator. when its zener voltage is surpassed, it maintains a stable reference voltage across it. A zener diode is defined as a diode that operates in reverse bias to regulate voltage. The zener voltage is the voltage at which the. The zener diode offers a much higher stabilization level (power. a zener diode is designed to operate in reverse bias, clamping the voltage across its terminals to the zener voltage.
Zener diode as voltage regulator, working & applications » Hackatronic
Zener Diode Voltage Regulator Design The zener diode offers a much higher stabilization level (power. zener voltage regulator. The zener voltage is the voltage at which the. a zener diode is designed to operate in reverse bias, clamping the voltage across its terminals to the zener voltage. when its zener voltage is surpassed, it maintains a stable reference voltage across it. The zener diode offers a much higher stabilization level (power. A zener diode is defined as a diode that operates in reverse bias to regulate voltage.
From wiraelectrical.com
Zener Diode Voltage Regulator Explanation and How to Build Wira Zener Diode Voltage Regulator Design The zener voltage is the voltage at which the. when its zener voltage is surpassed, it maintains a stable reference voltage across it. zener voltage regulator. a zener diode is designed to operate in reverse bias, clamping the voltage across its terminals to the zener voltage. A zener diode is defined as a diode that operates in. Zener Diode Voltage Regulator Design.
From www.youtube.com
zener diode as voltage regulator YouTube Zener Diode Voltage Regulator Design zener voltage regulator. a zener diode is designed to operate in reverse bias, clamping the voltage across its terminals to the zener voltage. A zener diode is defined as a diode that operates in reverse bias to regulate voltage. The zener diode offers a much higher stabilization level (power. when its zener voltage is surpassed, it maintains. Zener Diode Voltage Regulator Design.
From byjus.com
Zener Diode as a Voltage Regulator Working Principles & Applications Zener Diode Voltage Regulator Design The zener diode offers a much higher stabilization level (power. zener voltage regulator. The zener voltage is the voltage at which the. a zener diode is designed to operate in reverse bias, clamping the voltage across its terminals to the zener voltage. when its zener voltage is surpassed, it maintains a stable reference voltage across it. A. Zener Diode Voltage Regulator Design.
From www.chegg.com
Solved Design and simulate in LTspice a voltage regulator Zener Diode Voltage Regulator Design zener voltage regulator. The zener voltage is the voltage at which the. a zener diode is designed to operate in reverse bias, clamping the voltage across its terminals to the zener voltage. A zener diode is defined as a diode that operates in reverse bias to regulate voltage. when its zener voltage is surpassed, it maintains a. Zener Diode Voltage Regulator Design.
From www.youtube.com
Zener diode as voltage regulator circuit Simulation Proteus EEEE Zener Diode Voltage Regulator Design when its zener voltage is surpassed, it maintains a stable reference voltage across it. A zener diode is defined as a diode that operates in reverse bias to regulate voltage. a zener diode is designed to operate in reverse bias, clamping the voltage across its terminals to the zener voltage. zener voltage regulator. The zener voltage is. Zener Diode Voltage Regulator Design.
From www.circuits-diy.com
USB Based Zener Diode Voltage Regulator Circuit Zener Diode Voltage Regulator Design A zener diode is defined as a diode that operates in reverse bias to regulate voltage. The zener diode offers a much higher stabilization level (power. zener voltage regulator. a zener diode is designed to operate in reverse bias, clamping the voltage across its terminals to the zener voltage. The zener voltage is the voltage at which the.. Zener Diode Voltage Regulator Design.
From eduinput.com
How Zener Diode Maintains Constant Voltage? Zener Diode Voltage Regulator Design when its zener voltage is surpassed, it maintains a stable reference voltage across it. a zener diode is designed to operate in reverse bias, clamping the voltage across its terminals to the zener voltage. A zener diode is defined as a diode that operates in reverse bias to regulate voltage. zener voltage regulator. The zener diode offers. Zener Diode Voltage Regulator Design.
From www.youtube.com
How To Make Zener diode Voltage Regulator [IN4728 Voltage Regulator Zener Diode Voltage Regulator Design A zener diode is defined as a diode that operates in reverse bias to regulate voltage. The zener voltage is the voltage at which the. The zener diode offers a much higher stabilization level (power. a zener diode is designed to operate in reverse bias, clamping the voltage across its terminals to the zener voltage. when its zener. Zener Diode Voltage Regulator Design.
From electric-shocks.com
Zener Voltage Pass Regulator Explained with Example Zener Diode Voltage Regulator Design zener voltage regulator. The zener diode offers a much higher stabilization level (power. when its zener voltage is surpassed, it maintains a stable reference voltage across it. The zener voltage is the voltage at which the. A zener diode is defined as a diode that operates in reverse bias to regulate voltage. a zener diode is designed. Zener Diode Voltage Regulator Design.
From www.hackatronic.com
Zener diode as voltage regulator, working & applications » Hackatronic Zener Diode Voltage Regulator Design The zener voltage is the voltage at which the. when its zener voltage is surpassed, it maintains a stable reference voltage across it. A zener diode is defined as a diode that operates in reverse bias to regulate voltage. zener voltage regulator. The zener diode offers a much higher stabilization level (power. a zener diode is designed. Zener Diode Voltage Regulator Design.
From www.tescaglobal.com
Zener Diode As Voltage Regulator TescaGlobal Zener Diode Voltage Regulator Design a zener diode is designed to operate in reverse bias, clamping the voltage across its terminals to the zener voltage. zener voltage regulator. The zener diode offers a much higher stabilization level (power. A zener diode is defined as a diode that operates in reverse bias to regulate voltage. The zener voltage is the voltage at which the.. Zener Diode Voltage Regulator Design.
From tecnoelite.co
Que es un Diodo zener ?, importancia y aplicaciones Zener Diode Voltage Regulator Design A zener diode is defined as a diode that operates in reverse bias to regulate voltage. a zener diode is designed to operate in reverse bias, clamping the voltage across its terminals to the zener voltage. zener voltage regulator. when its zener voltage is surpassed, it maintains a stable reference voltage across it. The zener voltage is. Zener Diode Voltage Regulator Design.
From www.youtube.com
Zener Diode as a Voltage Regulator How Does it Works? YouTube Zener Diode Voltage Regulator Design The zener voltage is the voltage at which the. The zener diode offers a much higher stabilization level (power. A zener diode is defined as a diode that operates in reverse bias to regulate voltage. zener voltage regulator. when its zener voltage is surpassed, it maintains a stable reference voltage across it. a zener diode is designed. Zener Diode Voltage Regulator Design.
From makelsk.blogspot.com
Zener Diode Voltage Regulator Zener Diode Voltage Regulator Design The zener diode offers a much higher stabilization level (power. a zener diode is designed to operate in reverse bias, clamping the voltage across its terminals to the zener voltage. when its zener voltage is surpassed, it maintains a stable reference voltage across it. zener voltage regulator. The zener voltage is the voltage at which the. A. Zener Diode Voltage Regulator Design.
From www.hackatronic.com
Zener diode as voltage regulator, working & applications » Hackatronic Zener Diode Voltage Regulator Design a zener diode is designed to operate in reverse bias, clamping the voltage across its terminals to the zener voltage. A zener diode is defined as a diode that operates in reverse bias to regulate voltage. zener voltage regulator. The zener voltage is the voltage at which the. when its zener voltage is surpassed, it maintains a. Zener Diode Voltage Regulator Design.
From electrosome.com
Zener Diode Voltage Regulator Zener Diode Voltage Regulator Design The zener diode offers a much higher stabilization level (power. when its zener voltage is surpassed, it maintains a stable reference voltage across it. The zener voltage is the voltage at which the. a zener diode is designed to operate in reverse bias, clamping the voltage across its terminals to the zener voltage. A zener diode is defined. Zener Diode Voltage Regulator Design.
From www.youtube.com
Zener Diode Zener Diode as Voltage Regulator in electric circuit Zener Diode Voltage Regulator Design zener voltage regulator. A zener diode is defined as a diode that operates in reverse bias to regulate voltage. The zener voltage is the voltage at which the. when its zener voltage is surpassed, it maintains a stable reference voltage across it. The zener diode offers a much higher stabilization level (power. a zener diode is designed. Zener Diode Voltage Regulator Design.
From www.circuits-diy.com
Zener Diode Voltage Regulator Circuit Zener Diode Voltage Regulator Design when its zener voltage is surpassed, it maintains a stable reference voltage across it. The zener diode offers a much higher stabilization level (power. a zener diode is designed to operate in reverse bias, clamping the voltage across its terminals to the zener voltage. A zener diode is defined as a diode that operates in reverse bias to. Zener Diode Voltage Regulator Design.